- ナレッジベース
- サーボモータ・アンプ
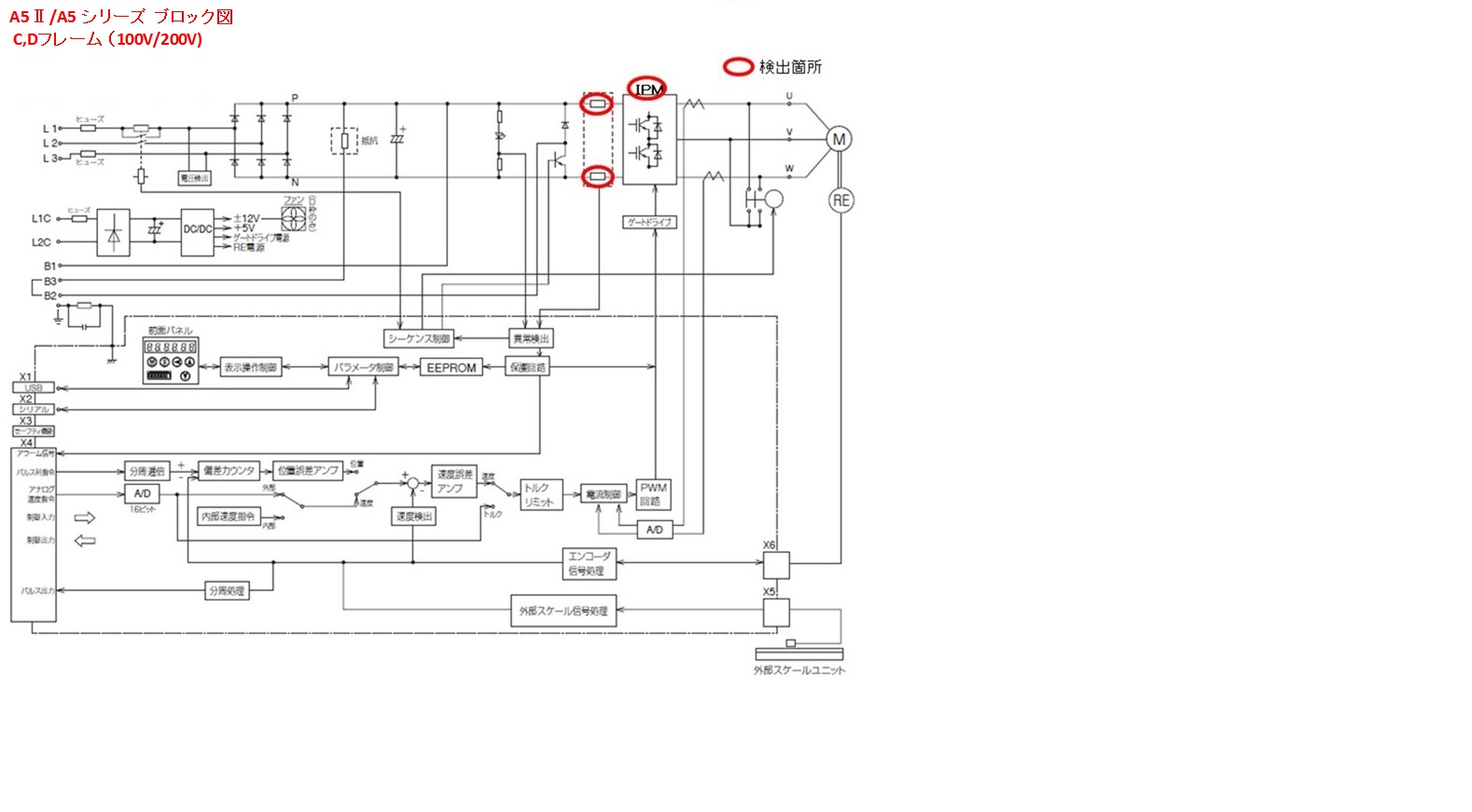
- A6シリーズ(現行品)・A5Ⅱ/A5シリーズ(受注終了品)共用
-
リレー・カプラー
-
コネクタ
-
スイッチ/インプットデバイス
-
ボリューム/エンコーダ
-
制御機器商品全般
-
問合せ窓口
-
ファイバセンサ
-
ビーム(光電)・レーザセンサ
-
フォトマイクロセンサ
-
エリアセンサ
-
ライトカーテン
-
安全機器
-
近接センサ
-
特殊用途センサ
-
圧力センサ・流量センサ
-
検査・判別・測定用センサ
-
静電気対策機器・イオナイザ
-
センサ周辺機器
-
IoT関連ユニット・省配線システム
-
レーザマーカ
-
コードリーダ
-
PLC
-
表示器
-
省エネ支援機器
-
タイマ・カウンタ・コンポ
-
画像センサ・画像処理機
-
UV照射器
-
サーボモータ・アンプ
-
小形ギヤードモータ(受注終了品)
-
ブラシレスモータ アンプ(受注終了品)
-
インバータ
