- ナレッジベース
- サーボモータ・アンプ
- A6シリーズ(現行品)・A5Ⅱ/A5シリーズ(受注終了品)共用
-
リレー・カプラー
-
コネクタ
-
スイッチ/インプットデバイス
-
ボリューム/エンコーダ
-
制御機器商品全般
-
問合せ窓口
-
ファイバセンサ
-
ビーム(光電)・レーザセンサ
-
フォトマイクロセンサ
-
エリアセンサ
-
ライトカーテン
-
安全機器
-
近接センサ
-
特殊用途センサ
-
圧力センサ・流量センサ
-
検査・判別・測定用センサ
-
静電気対策機器・イオナイザ
-
センサ周辺機器
-
IoT関連ユニット・省配線システム
-
レーザマーカ
-
コードリーダ
-
PLC
-
表示器
-
省エネ支援機器
-
タイマ・カウンタ・コンポ
-
画像センサ・画像処理機
-
UV照射器
-
サーボモータ・アンプ
-
小形ギヤードモータ(受注終了品)
-
ブラシレスモータ アンプ(受注終了品)
-
インバータ
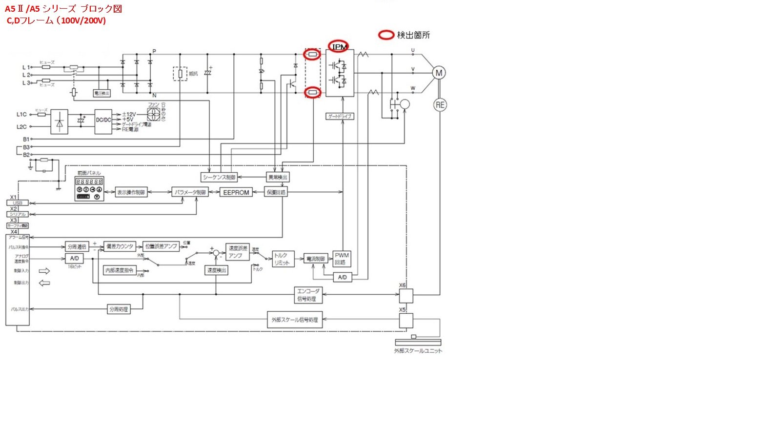
Err14.1 IPM異常保護 について、原因と処置を教えてください。[30072]
Err14.1 IPM異常保護 について、原因と処置を教えてください。
【原因】
モータを駆動するIPM(インテリジェントパワーモジュール)内で過電流が検出された異常です。
【処置】
以下の処置を行ってください。
・モータのUVWが正しく接続されているかを確認してください。
・最大トルクが発生していないかを確認するため、前面パネルの「d04.Trq」でトルクを確認してください。
最大トルク(通常300%)であれば、加減速や負荷の調整を行い、最大トルクを出さないようにしてください。
・小出力の場合は、各相の線間抵抗を測定し、アンバランスがないか確認してください。
アンバランスがある場合は、モータを交換してください。(大出力の場合は、巻線抵抗が1Ω以下であるため、判断が難しいです)
・モータの地絡を確認するため、U、V、Wとアース間の抵抗を測定してください。
抵抗が無限大でない場合は、モータを交換してください。
上記の処置を行っても改善が見られず、特定の問題が特定できない場合は、以下の対処方法を試してください。
・モータの電源ケーブルを外し、サーボONを行い、シャフトを少しだけ回してErr14.0が発生するかを確認してください。
もしErr14.0が発生しない場合は、モータ線の地絡、モータ線の接触不良、またはモータ自体の故障が考えられます。